|
Серія
AIG-500
Розширені
шлюзи IIoT із чотирьохядерним процесором Intel Atom®
1,91 ГГц, 1 портом VGA, програмним забезпеченням
ThingsPro Edge, робочою температурою від -40 до 70°C
 |
Розширенний
шлюз IIoT із
чотирьохядерним процесором Intel Atom® 1,91 ГГц |
 |
|
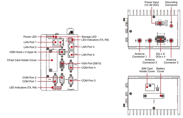
Зовнішній вигляд:


|
Розміри:

|
|