Апаратна частина |
| Процесор |
Intel® Celeron® G3902E (2
МБ кеш-пам'яті, 1,60 ГГц)
Intel® Core™ i5-6442EQ (6 МБ кеш-пам'яті, до 2,70 ГГц)
Intel® Core™ i7-6822EQ (6 МБ кеш-пам'яті, до 2,80 ГГц) |
|
Системний чіпсет |
Mobile Intel® QM170 Chipset |
|
Графічний конторллер |
Celeron: Intel® HD Graphics 510
Core i5: Intel® HD Graphics 530
Core i7: Intel® HD Graphics 530 |
|
Слот системної пам'яті |
SODIMM DDR4 slot x 2 |
| ОС |
Windows 10 Embedded IoT Ent 2019
LTSC 64-розрядна
Linux Debian 9
Примітка: ОС доступна CTOS |
|
Слот для зберігання |
2,5-дюймові роз'єми HDD/SSD x 1 |
Інтерфейс
комп'ютера |
|
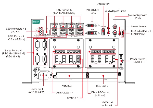
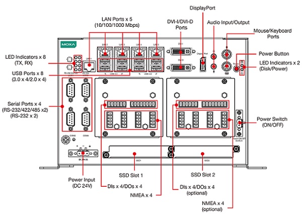
USB 2.0 |
USB 2.0 хости x 5, роз’єми типу
A |
|
USB 3.0 |
USB 3.0 хости x 4, роз’єми типу
A |
|
Відеовихід |
DisplayPort x 1 |
|
Відеовхід |
DVI-D x 1, 29-контактний роз'єм
DVI-D (female)
DVI-I x 1, 29-контактний роз'єм DVI-I (male) |
|
Послідовні порти |
Порти RS-232 х 2 (DB9 штекер)
Порти RS-232/422/485 x 2, програмно вибирається (DB9 штекер) |
|
Порти Ethernet |
Авто 10/100/1000 Мбіт/с (роз'єм
RJ45) x 5 |
|
Аудіо вхід/вихід |
Лінійний вхід x 1, лінійний
вихід x 1, телефонний роз'єм 3,5 мм |
|
Цифровий вхід |
DIs x 4
Тільки для серії MC-7420 |
|
Цифровий вихід |
DOs x 4
Тільки для серії MC-7420 |
|
Порт NMEA |
NMEA 0183 порти x 4
(термінальний блок)
Тільки для серії MC-7420 |
|
PS/2 |
Клавіатура PS/2 x 1 + миша PS/2
x 1 |
Реле |
|
Роз'єм |
Клема Euroblock, яка кріпиться
шурупами |
|
Контакт поточний рейтинг |
Резистивная нагрузка: 2 A @
30 VDC |
|
Опір контактів |
50 міліОм (макс.) |
|
Початковий
опір ізоляції |
1000 мега-ом (мін.) @ 500 VDC |
|
Механічна витривалість |
100 000 000 операцій |
|
Мінімально допустиме
навантаження |
20 A @ 30 VDC |
Світлодіодні
індикатори |
|
Cистемні |
Зберігання х 1
Живлення х 1 |
|
LAN |
2 на порт (10/100/1000 Мбіт/с) |
|
Послідовні порти |
2 на порт (Tx, Rx) |
Послідовні порти |
| Стандарт |
•RS-232/422/485 |
| Ізоляція |
немає |
|
Швидкість передачі даних |
від
50 bps до 115.2 Kbps |
|
Контроль потоку |
RTS/CTS, XON/XOFF, ADDC™ (automatic data direction control)
для RS-485 |
| Паритет |
None, Even, Odd, Space, Mark |
|
Інтерфейс NMEA |
NMEA 0183: RS-422
Швидкість передачі: 4800 біт/с
Біт даних: 8
Рукостискання: немає
Захист оптичної ізоляції: 3 кВ
Паритет: немає
Стоп-біти: 1, 1,5, 2 |
Надійність |
|
Тригер автоматичного перезавантаження |
Вбудований WDT |
Живлення |
| Вхідне
живлення |
модель AC
- від 100 до 240 В змінного струму,
модель DC - 24 В постійного струму |
| Споживання |
100 Вт |
|
Роз'єм живлення |
Клемний блок (для моделей
постійного струму) |
Фізичні
характеристики |
| Корпус |
Метал |
| Вага |
Серія MC-7410: 5500 г
Серія MC-7420: 6000 г |
| Розміри
(Ш x Д x В) |
Серія MC-7410: 240 x 209 x 125 мм
Серія MC-7420: 240 x 209 x 160 мм |
MC-7410 AC
MC-7410 DC

MC-7420 AC

MC-7420 DC

Розміри

 |
Навколишнє середовище |
| Робоча температура |
від -25 до 55°C |
| Вологість |
від 5 до 95% RH |
| Температура
зберігання |
-30 до
60°C |
Сертифікати |
| Safety |
CE, IEC 62368-1, UL 60950-1 |
| Electrical Substation |
IEC
61850-3, IEEE 1613, IEC |
| Protection Relay |
IEC 60255 |
| EMC |
EN 55032/35 |
| EMI |
CISPR 22, FCC Part 15B Class A |
| EMS |
IEC
61000-4-2 ESD: Contact: 6 kV; Air: 8 kV
IEC 61000-4-3 RS: 80 MHz to 1 GHz: 10 V/m
IEC 61000-4-4 EFT: Power: 2 kV; Signal: 4 kV
IEC 61000-4-5 Surge: Power: 1 kV; Signal: 1 kV
IEC 61000-4-6 CS: 10 V
IEC 61000-4-8: PFMF |
|
Maritime |
IEC 60945 |
| Green Product |
RoHS, CRoHS, WEEE |
 |
Інформація для замовлення |
 |
|
|
| ¤
Моделі |
|
MC-7410-C1-AC |
x86
комп'ютер з процессором Intel
Celeron G3902E, живлення 100-240 VAC, робоча температура від -20 до
55°C |
|
MC-7410-C1-DC |
x86
комп'ютер з процессором Intel
Celeron G3902E,
живлення 24 VDC, робоча температура від -20 до
55°C |
|
MC-7410-C5-AC |
x86 комп'ютер
з процессором Intel Core i5-6442EQ, живлення 100-240
VAC, робоча температура
від --20 до
55°C |
|
MC-7410-C5-DC |
x86
комп'ютер з процессором Intel Core
i5-6442EQ, живлення 24 VDC, робоча температура від -20 до
55°C |
|
MC-7410-C7-AC |
x86
комп'ютер з процессором Intel Core
i7-6822EQ,
живлення 100-240 VAC, робоча температура від -20 до
55°C |
|
MC-7410-C7-DC |
x86 комп'ютер
з процессором Intel Core i7-6822EQ, живлення 24 VDC, робоча температура
від -20 до
55°C |
|
MC-7420-C1-AC |
x86
комп'ютер з процессором
Intel Celeron G3902E, живлення 100-240 VAC, робоча температура від -20 до
55°C |
|
MC-7420-C1-DC |
x86
комп'ютер з процессором
Intel Celeron G3902E,
живлення 24 VDC, робоча температура від-20 до
55°C |
|
MC-7420-C5-AC |
x86 комп'ютер
з процессором Intel Core i5-6442EQ, живлення 100-240
VAC, робоча температура
від -20 до
55°C |
|
MC-7420-C5-DC |
x86
комп'ютер з процессором Intel Core
i5-6442EQ, живлення 24 VDC, робоча температура від -20 до
55°C |
|
MC-7420-C7-AC |
x86
комп'ютер з процессором Intel Core
i7-6822EQ,
живлення 100-240 VAC, робоча температура від -20 до
55°C |
|
MC-7420-C7-DC |
x86 комп'ютер
з процессором Intel Core i7-6822EQ, живлення 24 VDC, робоча температура
від -20 до
55°C |