 |
Двоядерні
64-розрядні промислові комп’ютери Arm® Cortex®-A53 |
 |
 |
Специфікації |
 |
| •
Апаратна частина |
| Процесор |
Armv8 Cortex-A53 dual-core 1GHz |
| ОС |
Moxa Industrial Linux (Debian
11, kernel 5.10), 2031 EOL
See www.moxa.com/MIL |
| DRAM |
2 GB DDR4 |
| Розширення пам'яті
для ПЗ |
16 ГБ eMMC |
|
Слот для зберігання |
Micro SD x 1 |
| •
Інтерфейс
комп'ютера |
|
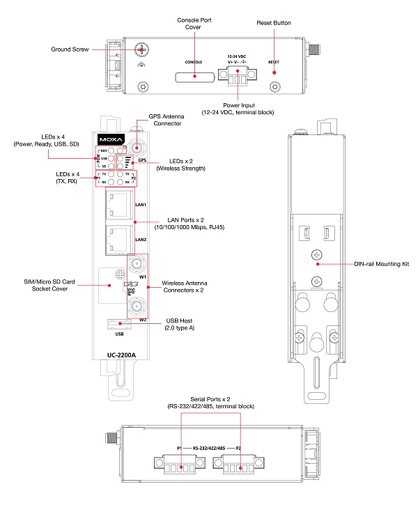
Порти Ethernet |
порти 10/100.1000
Мбіт/с автоматичного визначення (роз'єм RJ45) x 2 |
|
Послідовні порти |
Порти RS-232/422/485 x 2,
програмний вибір (термінальний блок) |
|
USB 2.0 |
Хост USB 2.0 x 1, роз’єми типу A |
|
Формат SIM |
Nano x 1 |
|
Слоти розширення |
слот mPCIe x 1 |
|
Кнопки |
Кнопка скидання "Reset" |
|
Консольний порт |
RS-232 (TxD, RxD, GND),
4-контактний вихід (115200, n, 8, 1) |
Ethernet
інтерфейс |
|
Захист магнітної ізоляції |
1,5 кВ (вбудований) |
Параметри
Serial інтерфейсу |
| Біти даних |
5, 6, 7, 8 |
| Стоп
біти |
1, 1.5, 2 |
| Паритет |
Non,
Even, Odd, Space, Mark |
|
Управління потоком |
RTS/CTS, XON/XOFF, ADDC® (автоматичне
керування напрямком даних) для RS-485, RTS Toggle (тільки
RS-232) |
|
Швидкість передачі даних |
від 300 до 921,6 кбіт/с |
Сигнали
Serial інтерфейсу |
| RS-232 |
TxD, RxD, RTS, CTS, DTR, DSR,
DCD, GND |
| RS-422 |
Tx+, Tx-, Rx+, Rx-, GND |
| RS-485
- 4 w |
Tx+,
Tx-, Rx+, Rx-, GND |
| RS-485
- 2 w |
Data+,
Data-, GND |
Індикація |
| Система |
Power х 1
SW готовність (програмований)
USB (програмований) x 1
Слот Micro SD (програмований) x 1
Послідовний порт: TX x 2, RX x 2 |
|
Потужність бездротового
сигналу |
Cellular x 2; programmable
Disconnected: None
Very Poor Signal: 1 LED (blinking)
Poor Signal: 1 LED
Good Signal: 2 LEDs |
Стільниковий
інтерфейс |
|
Стільникові стандарти |
LTE Cat. 4 |
|
Діапазон |
Моделі ЄС:
Діапазон LTE 1 (2100 МГц) / Діапазон LTE 3 (1800 МГц) /
Діапазон 7 (2600 МГц) / Діапазон LTE 8 (900 МГц) / Діапазон
LTE 20 (800 МГц) / Діапазон LTE 28A (700 МГц) UMTS/HSPA B8
(900 МГц) / B3 (1800 МГц) / B1 (2100 МГц) GSM DCS (1800 МГц)
/GSM 900 (900 МГц) |
GPS
інтерфейс |
|
Типи приймачів |
GPS, GLONASS, Galileo |
|
Точність |
Position: 2.0 m @CEP50 |
|
Надбання |
Hot starts: 1.1 sec
Cold starts: 29.94 sec |
|
Чутливість |
Cold starts: -145 dBm
Tracking: -160 dBm |
|
Time Pulse |
250 Hz to 10 MHz |
Живлення |
| Вхідна напруга |
від
12 до 48 VDC |
|
Вхідний струм |
Моделі без вбудованого LTE:
600mA @ 12 VDC, 300mA @ 24 VDC
Моделі з вбудованим LTE: 900mA @ 12 VDC, 450mA @ 24 VDC |
| Споживання |
Моделі без
вбудованого LTE:
4,5 Вт (без зовнішнього пристрою USB)
7,2 Вт (з підключеним зовнішнім USB-пристроєм)
Моделі з вбудованим LTE:
7,8 Вт (без зовнішнього пристрою USB)
10,5 Вт (із зовнішнім USB-пристроєм) |
Фізичні
характеристики |
| Корпус |
Метал, SECC |
| Вага |
546 г. |
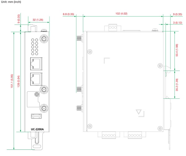
| Розміри
(з вухами) |
102 x 32 x 128 мм |
| Кріплення |
Настінний монтаж, монтаж на DIN-рейку
(з додатковим комплектом) |
|

Розміри:

|
Навколишнє середовище |
| Робоча
температура |
моделі
без вбудованого LTE: від -40 до 75°C
моделі з вбудованим LTE: від -40 до
70°C |
| Вологість |
від
5 до 95% RH |
| Температура
зберігання |
від -40 до 80°C
|
|
Вібрація |
2 Grms @ IEC 60068-2-64,
випадкова хвиля, 5-500 Гц, 1 година на вісь
(без підключеного
USB) |
|
Shock |
IEC 60068-2-27 |
Сертифікати |
| EMI |
CISPR 32, FCC Part 15B Class A |
| EMC |
EN 55032/35
EN 61000-6-2/-6-4 |
| EMS |
IEC 61000-4-2 ESD: Contact:
4 kV; Air: 8 kV
IEC 61000-4-3 RS: 80 MHz to 1 GHz: 10 V/m
IEC 61000-4-3 RS: 1.4 GHz to 6 GHz: 3 V/m
IEC 61000-4-4 EFT: Power: 1 kV; Signal: 1 kV
IEC 61000-4-5 L-PE: 1 kV ; L –L: 0.5 kV; Signal: 1 kV
IEC 61000-4-6 CS: 10 V
IEC 61000-4-8 PFMF |
| Безпека |
EN 62368-1, UL 62368-1 |
|
Міжнародне схвалення |
RCM, KC, BSMI |
| Директиви |
RoHS, CRoHS, WEEE |
MTBF |
|
Стандарти |
Telcordia (Bellcore) Standard TR/SR |
|
Час |
UC-2222A-T: 924 676 год
UC-2222A-T-EU: 866 622 год |
 |
Інформація для замовлення |
 |
|
|
| ¤
Моделі |
|
Назва моделі |
CPU |
RAM |
Storage |
Serial
порти |
Ethernet
порти |
USB
порти |
TPM |
LTE |
Робоча
температура |
|
UC-2222A-T |
AM6412 Arm®
Cortex®-A53,
двоядерний, 1 ГГц |
2 ГБ |
16 GB eMMC |
2 |
2 |
1 |
Вбуд. |
mPCIe slot x 1,
зарезервовано |
від -40 до 75°C |
| UC-2222A-T-EU |
AM6412 Arm®
Cortex®-A53,
двоядерний, 1 ГГц |
2 ГБ |
16 GB eMMC |
2 |
2 |
1 |
Вбуд. |
EU регіон
LTE модуль
попередньо встановлений |
від -40 до 70°C |
| Аксесуари
(продаються окремо) |
| Адаптор живлення |
|
PWR-12150-EU-SA-T |
Адаптер
живлення |
|
Кабелі |
|
CBL-F9DPF1x4-BK-100 |
Консольний кабель з 4-контактним
роз'ємом 1м |
|
CBL-PJTB-10 |
Незамикаючий циліндровий штекер
до оголеного кабелю |
|
Антени |
|
ANT-WDB-ARM-0405 |
Всеспрямована антена 2,4/5 ГГц
1/2 λ 4–5 дБі з роз’ємом RP-SMA (гніздо) |
|
ANT-WDB-ARM-0202 |
Всеспрямована антена 2,4/5 ГГц,
2/2 дБі, роз'єм типу RP-SMA (male) |
|
ANT-LTE-OSM-03-3m BK |
700-2700 МГц, багатодіапазонна
антена, спеціально розроблена для додатків 2G, 3G і 4G, 3 м
кабель |
|
ANT-LTE-OSM-06-3m BK |
Багатодіапазонна антена з опцією
гвинтового кріплення для частот 700-2700/2400-2500/5150-5850
МГц |
|
ANT-LTE-ASM-04 BK |
704-960/1710-2620 МГц,
всеспрямована палкова антена LTE, 4,5 дБі |
|
ANT-LTE-ASM-05 BK |
704-960/1710-2620 МГц, антена
LTE, 5 дБі |
|
A-ADP-SM-RF Golden |
Адаптер SMA для серії UC-2104 і
UC-5100 |
|
ANT-LTEUS-ASM-01 |
GSM/GPRS/EDGE/UMTS/HSPA/LTE,
всеспрямована гумова антена, 1 дБі |
|
|