Продукція > Сервери доступу Serial-Ethernet > Вбудовані > MiiNePort E1

 

 
 MiiNePort E1
 
Модуль-сервер доступу Serial-Ethernet 10/100 Mbps (TTL, RJ-45)

 ¤ Зовнішній вигляд
MOXA MiiNePort E1
 ¤ Розміри
 ¤ Роз'єм


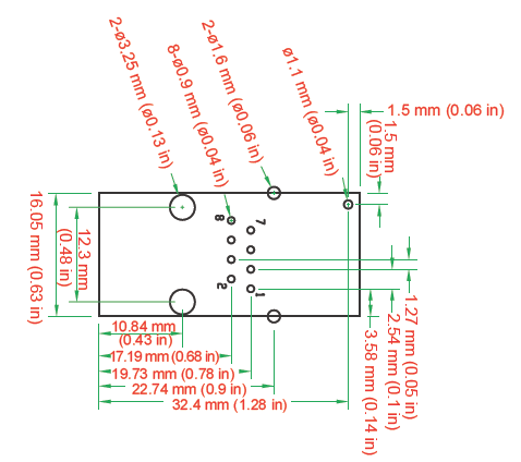
 ¤ Установчі розміри


Якщо при прочитанні матеріалу на нашому сайті у Вас виникли запитання, або необхідно дізнатись вартість даного обладнання, будь ласка, заповніть наступну форму