|
|
CP-118EL-A
8-ми портова асинхронна плата
RS-232/422/485 для шини PCI Express
 |
8-ми
портова плата RS-232/422/485 для PCI Express
шини |
 |
|
 |
|
|
|
|
Особливості та переваги |
|
|
 |
Сумісність з PCI Express 1.0 |
 |
Максимальна швидкість передачі даних 921,6
кбіт/с для швидкої передачі даних |
 |
128-байтовий FIFO та керування потоком H/W,
S/W на чіпі |
 |
Для RS-232/422/485 доступні різноманітні
з’єднувальні кабелі та бокси |
 |
Низькопрофільний форм-фактор підходить для
невеликих ПК |
 |
Драйвери надаються для широкого вибору
операційних систем, включаючи Windows, Linux
і UNIX |
 |
Просте обслуговування завдяки вбудованим
світлодіодам і програмному забезпеченню для
керування |
|
MOXA CP-118EL-A -
8 портові RS-232, RS-422, RS-485 індустріальні плати для систем автоматизації, POS і ATM застосування. Це кращий вибір для інженерів, що займаються промисловою автоматизацією і системних інтеграторів, так як плати підтримують численні операційні системи, включаючи Windows, Linux і навіть Unix.
Крім цього, кожен з 8 послідовних портів може бути налаштований незалежно як RS-232, RS-422 або RS-485 (2-х або 4-дротовий), всі порти підтримують дуже високу швидкість передачі - до 921,6 Kbps. MOXA CP-118EL-A забезпечує повний контроль модемних сигналів для забезпечення сумісності з широким діапазоном різних серійних периферійних пристроїв.
MOXA CP-118EL-A підтримує шину PCI Express х1, але також може бути встановлена
в будь-який PCI Express слот.
Невеликі габарити плати
MOXA CP-118EL-A - малогабаритна плата (low profile), яка сумісна з будь-яким PCI Express слотом. Для живлення платі необхідно тільки 3,3 В постійного струму, а це значить, що плата підходить для будь-яких комп'ютерів.
Драйвери для Windows, Linux
і Unix
MOXA підтримує широкий спектр операційних систем і плати MOXA CP-118EL-A не є винятком. Надійні Windows COM і Linux/Unix TTY драйвери надаються для всіх плат MOXA, а також є драйвери і для інших операційних систем, таких як, наприклад,
WEPOS.
|
 |
Специфікації |
 |
|
| •
Апаратні |
| Контролер введення-виведення |
16C550C
сумісний |
| З'єднувач |
VHDCI 68 |
| Шина |
PCI Expressx1 |
| • Serial
інтерфейс |
| Стандарт |
RS-232/422/485 |
| Число
портів |
8 |
| Макс. число плат в
комп'ютері |
4 |
| • Serial
захист |
| ESD |
15 KV |
| •
Продуктивність |
| Швидкість |
від
50 bps до 921.6 Kbps |
| • Serial
параметри |
| Паритет |
None, even, odd, space, mark |
| Біти даних |
5, 6, 7, 8 |
| Стоп
біти |
1, 1.5, 2 |
| Контроль
потоку |
RTS/CTS, XON/XOFF |
| • Serial
сигнали |
| RS-232 |
TxD, RxD, RTS, CTS, DTR, DSR, DCD, GND |
| RS-422 |
TxD+(B), TxD-(A), RxD+(B), RxD-(A), GND |
| RS-485-4
дротовий |
TxD+(B),
TxD-(A), RxD+(B), RxD-(A), GND |
| RS-485-2
дротовий |
Data+(B),
Data-(A), GND |
| •
Драйверна підтримка |
|
Драйвери Windows |
DOS, Windows 95/98/ME/NT/2000,
Windows XP/2003/Vista/2008/7/8/8.1/10/11
(x86/x64), Windows 2008 R2/2012/2012 R2/2016/2019/2022
(x64), Windows Embedded CE 5.0/6.0, Windows XP
Embedded |
|
Драйвери
Linux |
Linux kernel 2.4.x,
Linux kernel 2.6.x, Linux kernel 3.x, Linux kernel
4.x, Linux kernel 5.x |
|
Драйвери
UNIX |
Solaris 10, UnixWare 7,
SCO OpenServer 5, SCO OpenServer 6 |
| •
Фізичні характеристики |
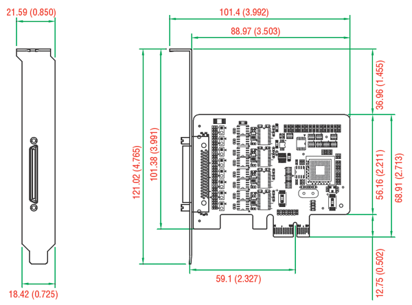
| Розмір |
68.9 x 88 мм |
|
Розміри:

|
| •
Навколишнє середовище |
| Робоча температура |
від 0 до 55°C |
| Температура
зберігання |
від -20 до 85°C |
| Відносна вологість |
від 5 до 95% RH |
| •
Стандарти та сертифікація |
| EMC |
EN 55032/35 |
| EMI |
CISPR 32, FCC Part 15B
Class B |
| EMS |
IEC 61000-4-2 ESD:
Contact: 4 kV; Air: 8 kV
IEC 61000-4-3 RS: 80 MHz to 1 GHz: 3 V/m
IEC 61000-4-4 EFT: Power: 1 kV; Signal: 0.5 kV
IEC 61000-4-5 Surge: Power: 2 kV
IEC 61000-4-6 CS: 150 kHz to 80 MHz: 3 V/m; Signal:
3 V/m
IEC 61000-4-8 PFMF) |
| Green |
RoHS, CRoHS, WEEE |
| •
Напрацювання на відмову |
| Час |
1,359,482
годин |
| База
даних |
Database Telcordia (Bellcore), GB |
| •
Живлення |
| Споживання |
1285 mA @ 3.3 V |
 |
Інформація для замовлення |
 |
|
|
| CP-118EL-A |
8
портова RS-232/422/485 PCI Express x1 плата, low profile |
•
З'єднувачі: Бокси |
| OPT8A+ |
VHDCI 68 в 8 х DB25(F), RS-232,
з'єднувальний бокс |
| OPT8B+ |
VHDCI 68 в 8 х DB25(M), RS-232,
з'єднувальний бокс |
| OPT8S+ |
VHDCI 68 в 8 х DB25(F), RS-232,
з'єднувальний бокс з Surge Protection |
| OPT8-M9+ |
VHDCI 68 в 8 x DB9(M), RS-232,
з'єднувальний бокс |
|
OPT8-RJ45+ |
VHDCI 68
в 8 x RJ45 (8-контактний)
з’єднувальний блок |
| Кабелі |
CBL-M68M9x8-100 (OPT8D+) |
SCSI VHDCI 68 в 8 x DB9(M), RS-232 |
CBL-M68M25x8-100 (OPT8C+) |
SCSI VHDCI 68 в 8 х DB25(M), RS-232 | | |
|