Продукція > Мультипортові плати > PCI Express > CP-116E-A

 


 
CP-116E-A

  16-ти портова асинхронна плата RS-232/422/485 для шини PCI Express 
  з 4 kV surge protection

 16-ти портова асинхронна плата RS-232/422/485 для шини PCI Express

  
Зовнішній вигляд:


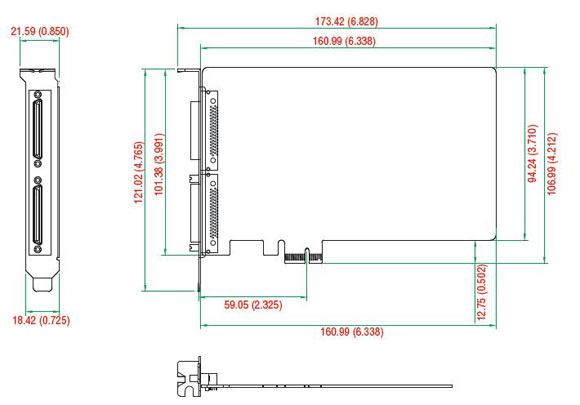
Розміри:


Якщо при прочитанні матеріалу на нашому сайті у Вас виникли запитання, або необхідно дізнатись вартість даного обладнання, будь ласка, заповніть наступну форму